下载文档到电脑,查找使用更方便
已全部加载
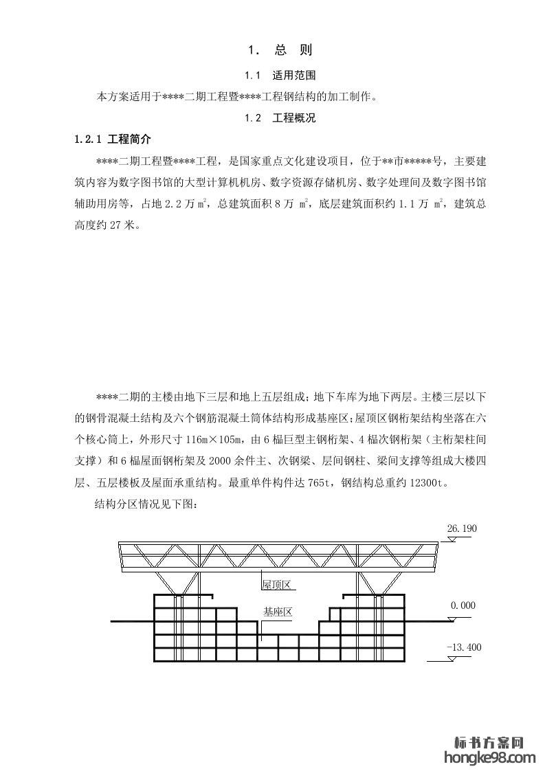
共89页,预览18页
开通会员享3折优惠下载(仅需19.80元)
标题:某大型图书馆钢结构加工制作施工方案(89页)
页数:89 页
格式:doc
大小:5.99MB
价格:66.0 金币
可用金币:0.00
优惠信息:开通会员享3折优惠下载(仅需19.80金币)
0.0分
保存海报,分享给朋友
分享文档可以赚钱啦!分享本文档到各个平台
用户通过您的分享链接下载本文档,每次您将获得本文档
实际成交价格30%的收益分成。
保存图片或复制链接,分享给朋友
微信扫一扫联系客服
关注我们